4P11035 Cisa Multitop MATIC EXIT serratura motorizzata da infilare per porta antipanico frontale a U 
 Serratura motorizzata da infilare Cisa Multitop MATIC EXIT, testata corta e frontale rasabile a 'U'. Ideale per porte antipanico ad un'anta in edifici pubblici e commerciali con notevole affluenza di pubblico. Multitop EXIT consente di ottenere la massima protezione all'intrusione grazie alla chiusura automatica dei catenacci e la certezza di uscita rapida in caso di pericolo. L’apertura dall’interno, in caso di emergenza, è infatti immediata semplicemente premendo la barra del maniglione. Accostando l’anta sul montante fisso, si ottiene la chiusura automatica dei 3 scrocchi e dei 3 catenacci. Non sarà quindi necessario chiudere le uscite di emergenza manualmente al termine della giornata. La serratura MULTITOP EXIT consente di mantenere le stesse lavorazioni sul profilo di tutte le serrature appartenenti alla famiglia MULTITOP, è inoltre intercambiabile con la SIKUREXIT. In acciaio INOX. 
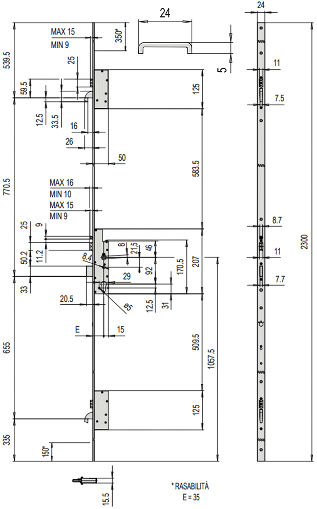
 DATI TECNICI 
|  MODELLO  | 4P11035 | 
|  DIMENSIONI  | mm 2300 x 24 | 
|  INTERASSE  | mm 92 | 
|  QUADRO MANIGLIA  | 8 | 
|  PUNTI DI CHIUSURA  | 6 | 
|  MANDATE  | 2 | 
|  FRONTALE  | 24 | 
|  ENTRATA  | 35 | 
 
 
 CARATTERISTICHE TECNICHE 
   Per porte antipanico ad un'anta in edifici pubblici e commerciali con notevole affluenza di pubblico 
   Consente di ottenere la massima protezione all'intrusione 
   Apertura dall’interno immediata, in caso di emergenza 
   Apribile da remoto abbinandola al motore Cisa 
   In acciaio INOX 
 
 
 4P11035000AS