Dettagli
8234.4 Viro serratura corazzabile per basculante
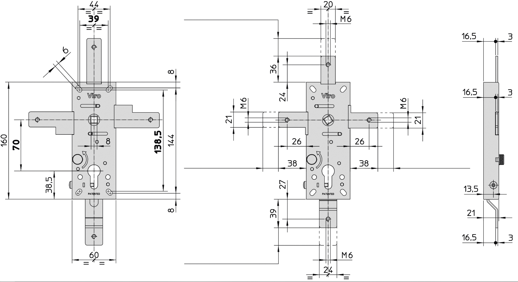
Serratura corazzabile Viro per basculante in acciaio zincato, con 4 punti di chiusura e interasse di 70 mm. Questa serratura multipunto Viro è intercambiabile con le più popolari serrature per basculanti già installate (con interasse 70 mm) e sono corazzabili con la semplice installazione di una rosetta di sicurezza. Il catenaccio è in acciaio con spessore di 3 mm e fori filettati. La corsa dei catenacci orizzontali è di 21,4 mm mentre dei catenacci verticali 24 mm. Azionamento dei catenacci con maniglia interna ed esterna. L'apertura dall'esterno avviene tramite chiave, dall'interno invece avviene tramite pomolo rotante. Fornito con vite di fissaggio in acciaio zincato per il cilindro.
DISEGNO TECNICO

DATI TECNICI
MODELLO |
8234.4 |
INTERASSE |
mm 70 |
SPESSORE CATENACCI |
mm 3 |
CORSA CATENACCI |
verticali mm 24 / orizzontali mm 21,4 |
QUADRO MANIGLIA |
mm 8 |
PESO UNITARIO |
0,615 Kg |
CARATTERISTICHE TECNICHE
Per porta basculanteCon quattro punti di chiusura e interasse di 70 mm
Intercambiabile con le più popolari serrature per basculanti già installate
Ulteriori informazioni
| Codice EAN | 8005344087788 |
|---|
I CLIENTI HANNO VISUALIZZATO ANCHE:
-
8217.0010 Viro serratura corazzata per porte basculanti senza aste
Tasse escluse: 90,69 € Tasse incluse: 110,64 € -
Serratura a doppia mappa per porte basculanti Potent art. 1640
Tasse escluse: 15,32 € Tasse incluse: 18,69 €


