Dettagli
RANCH C B BFT dissuasore di sosta di passaggio
RANCH B è un dissuasore fisso in acciaio progettato per il controllo permanente degli accessi veicolari in aree urbane, parcheggi o zone a traffico limitato. Realizzato per offrire elevata resistenza meccanica e durabilità, è costituito da un corpo cilindrico in acciaio zincato e verniciato o in acciaio inox, con altezza fuori terra standard di 500 mm o 700 mm e diametro di 273 mm. L'installazione avviene tramite incasso nel terreno con fondazione cementizia, garantendo una barriera solida e inamovibile. Ideale per l’integrazione con sistemi BFT esistenti, come i dissuasori automatici della serie STOPPY o X-PASS.
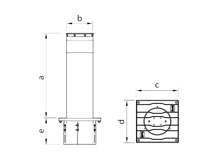
DISEGNO TECNICO

RANCH B 219/500 | 490 | Ø219 | 350 | 350 | 202 |
RANCH B 219/700 | 700 | Ø219 | 350 | 350 | 242 |
DATI TECNICI
MODELLO | RANCH B 219/500 L RAL 7015 | RANCH B 219/500 L INOX |
ALTEZZA STELO | 490 mm | 490 mm |
DIAMETRO STELO | 219 mm | 219 mm |
SPESSORE STELO | 5 mm | 5 mm |
RESISTENZA ALL'URTO | 15000 J | 15000 J |
RESISTENZA ALLO SFONDAMENTO | 150000 J | 150000 J |
TRATTAMENTO STELO | Cataforesi e verniciatura RAL 7015 | Acciaio INOX AISI 304 |
MODELLO | RANCH B 219/700 L RAL 7015 | RANCH B 219/700 L INOX |
ALTEZZA STELO | 700 mm | 700 mm |
DIAMETRO STELO | 219 mm | 219 mm |
SPESSORE STELO | 5 mm | 5 mm |
RESISTENZA ALL'URTO | 15000 J | 15000 J |
RESISTENZA ALLO SFONDAMENTO | 150000 J | 150000 J |
TRATTAMENTO STELO | Cataforesi e verniciatura RAL 7015 | Acciaio INOX AISI 304 |
CARATTERISTICHE TECNICHE
- Altezza fuori terra: disponibile in versioni da 500 mm o 700 mm, per diverse esigenze di delimitazione
- Diametro corpo dissuasore: 220 mm, per garantire robustezza e visibilità
- Installazione fissa: richiede incasso con fondazione cementizia per una stabilità permanente
- Finitura superiore bombata o piana: personalizzabile per adattarsi all’estetica dell’area urbana
- Elementi riflettenti integrati: per una visibilità ottimale anche in condizioni di scarsa illuminazione
BENEFICI
RANCH B garantisce un controllo degli accessi sicuro e permanente, offrendo massima resistenza, zero manutenzione, integrazione completa con i sistemi BFT e una protezione efficace contro urti e intrusioni:
- Controllo permanente degli accessi: ideale per aree dove non è previsto traffico veicolare regolare
- Manutenzione ridotta: essendo un dissuasore fisso, non richiede componenti elettrici o attuatori
- Perfetta integrazione con sistemi BFT: consente una gestione del traffico armonica e coordinata
- Alta resistenza agli urti: protezione efficace contro intrusioni o impatti accidentali
VARIANTI DISPONIBILI
- RANCH B 219/500 L RAL 7015 | 2605556 | P970081 00002
- RANCH B 219/500 L INOX | 2613160 | P970081 00004
- RANCH B 219/700 L RAL 7015 | 2605558 | P970082 00002
- RANCH B 219/700 L INOX | 2605559 | P970082 00004
Ulteriori informazioni
Codice EAN | No |
---|