Dettagli
STOPPY B BFT dissuasore di sosta di passaggio
STOPPY B è un dissuasore di sosta elettromeccanico automatico a scomparsa progettato per il controllo e la protezione degli accessi in aree collettive. Disponibile con stelo di altezza 500 o 700 mm e diametro di 200 mm, è ideale per contesti in cui è richiesta sicurezza e gestione automatizzata dei varchi. La struttura è dotata di rallentamento in fase di apertura e chiusura per un funzionamento fluido e silenzioso. L’operatore è fornito completo di cassa di fondazione e può essere abbassato manualmente in assenza di corrente grazie alla sua reversibilità. Il tempo di apertura è di 7 secondi. Garantisce una resistenza all’urto pari a 6000 Joule e una resistenza allo sfondamento di 60000 Joule, offrendo un elevato livello di protezione fisica.
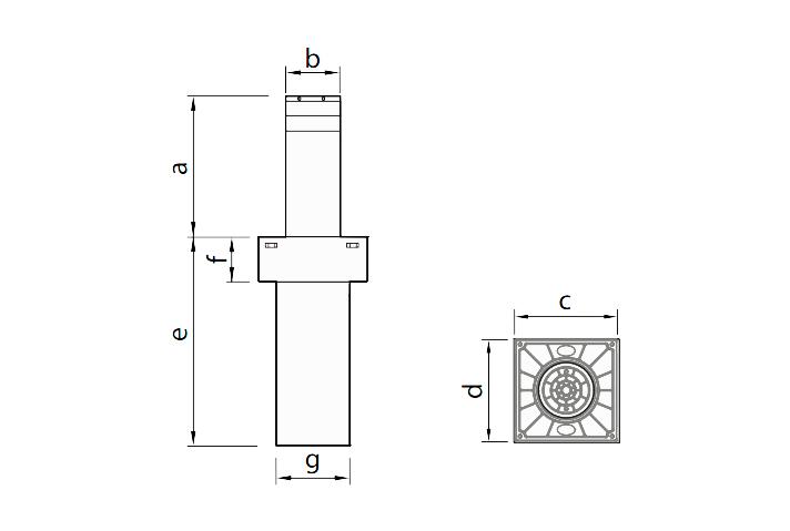
DISEGNO TECNICO

STOPPY B 115-500 | 490 | Ø114 | 250 | 300 | 965 | 115 | Ø190 |
STOPPY B 200-700 | 700 | Ø194 | Ø360 | 360 | Ø1180 | 115 | Ø273 |
DATI TECNICI
MODELLO | STOPPY B 115/500 RAL 7015 |
TEMPO SALITA | 6.0 s |
TEMPO DISCESA | 6.0 s |
ALTEZZA STELO | 490 mm |
DIAMETRO STELO | 114 mm |
SPESSORE STELO | 4.0 |
ALIMENTAZIONE | 230V |
CENTRLE DI COMANDO | PERSEO CBE |
RALLENTAMENTO | Si |
POTENZA ASSORBITA | 300 W |
RESISTENZA ALL'URTO | 7000 J |
RESISTENZA ALLO SFONDAMENTO | 60000 J |
MANOVRA MANUALE | Reversibile in assenza di tensione |
FREQUENZA DI UTILIZZO | Semi intensivo |
TIPO FINECORSA | Sensore magnetico REED |
TRATTAMENTO STELO | Cataforesi e verniciatura RAL7015 |
CONDIZIONI AMBIENTALI | Da -20°C a +60°C |
GRADO DI PROTEZIONE | IP 67 |
MODELLO | STOPPY B 200/700 RAL 7015 |
TEMPO SALITA | 9.0 s |
TEMPO DISCESA | 9.0 s |
ALTEZZA STELO | 700 mm |
DIAMETRO STELO | 194 mm |
SPESSORE STELO | 6.0 |
ALIMENTAZIONE | 230V |
CENTRLE DI COMANDO | PERSEO CBE |
RALLENTAMENTO | Si |
POTENZA ASSORBITA | 300 W |
RESISTENZA ALL'URTO | 1000 J |
RESISTENZA ALLO SFONDAMENTO | 110000 J |
MANOVRA MANUALE | Reversibile in assenza di tensione |
FREQUENZA DI UTILIZZO | Semi intensivo |
TIPO FINECORSA | Sensore magnetico REED |
TRATTAMENTO STELO | Cataforesi e verniciatura RAL7015 |
CONDIZIONI AMBIENTALI | Da -20°C a +60°C |
GRADO DI PROTEZIONE | IP 67 |
CARATTERISTICHE TECNICHE
- Tipo di operatore: elettromeccanico automatico a scomparsa
- Altezze disponibili: 500 mm e 700 mm
- Resistenza all’urto: 6000 Joule
- Resistenza allo sfondamento: 60000 Joule
- Utilizzo previsto: Ideale per aree ad uso collettivo con accessi controllati
BENEFICI
STOPPY B garantisce massima sicurezza, affidabilità operativa anche in caso di blackout, installazione semplice, funzionamento silenzioso e versatilità d’uso, rendendolo la soluzione ideale per il controllo efficace degli accessi in ogni contesto collettivo:
- Maggiore sicurezza degli accessi: grazie all’elevata resistenza agli urti e allo sfondamento
- Affidabilità anche in emergenza: grazie alla possibilità di abbassamento manuale
- Installazione semplificata: con fornitura completa di cassa di fondazione
- Movimento fluido e silenzioso: grazie al rallentamento integrato
VARIANTI DISPONIBILI
- STOPPY B 115/500 RAL 7015 | 2613061 | P970088 00001
- STOPPY B 200/700 RAL 7015 | 2601350 | P970089 00001
Ulteriori informazioni
Codice EAN | No |
---|