Dettagli
PILLAR B 275 / 800.6C BFT dissuasore di sosta di passaggio
PILLAR B 275/800.6C è un dissuasore automatico a scomparsa di tipo oleodinamico, progettato per garantire elevata sicurezza in aree sensibili e ad alto traffico. Dotato di uno stelo con diametro di 275 mm e altezza di 800 mm, offre un'elevata resistenza agli impatti. Il funzionamento è assicurato da un sistema idraulico a 230 V, ideale per utilizzi intensivi. La versione standard consente l’abbassamento automatico in caso di blackout, mentre la versione SD mantiene lo stelo sollevato per massima protezione. Il dissuasore è inoltre equipaggiato con cappello a LED e fascia riflettente omologata per una visibilità ottimale notturna.
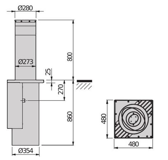
DISEGNO TECNICO

DATI TECNICI
MODELLO | PILLAR B 275/800.6C L RAL 7015 | PILLAR B 275/800.6C L INOX |
TEMPO SALITA | 6.1 s | 6.1 s |
TEMPO DISCESA | 5.0 s | 5.0 s |
ALTEZZA STELO | 800 mm | 800 mm |
DIAMETRO STELO | 273 mm | 273 mm |
SPESSORE STELO | 6 mm | 6 mm |
ALIMENTAZIONE | 230 V | 230 V |
CENTRALE DI COMANDO | PERSEO CBE | PERSEO CBE |
RESISTENTE ALL'URTO | 20000 J | 20000 J |
RESISTENZA ALLO SFONDAMENTO | 250000 J | 250000 J |
MANOVRA MANUALE | Reversibile in assenza di tensione | Reversibile in assenza di tensione |
FREQUENZA DI UTILIZZO | 3000 Op/gg | 3000 Op/gg |
TIPO FINECORSA | Sensore magnetico REED | Sensore magnetico REED |
TRATTAMENTO STELO | Cataforesi e verniciatura RAL7015 | Acciaio INOX AISI 316L |
TIPO FINECORSA | Da -40°C a +60°C | Da -40°C a +60°C |
GRADO DI PROTEZIONE | IP67 | IP67 |
MODELLO | PILLAR B 275/800.6C L SD RAL 7015 | PILLAR B 275/800.6C L SD INOX |
TEMPO SALITA | 6.1 s | 6.1 s |
TEMPO DISCESA | 5.0 s | 5.0 s |
ALTEZZA STELO | 800 mm | 800 mm |
DIAMETRO STELO | 273 mm | 273 mm |
SPESSORE STELO | 6 mm | 6 mm |
ALIMENTAZIONE | 230 V | 230 V |
CENTRALE DI COMANDO | PERSEO CBE | PERSEO CBE |
RESISTENTE ALL'URTO | 20000 J | 20000 J |
RESISTENZA ALLO SFONDAMENTO | 250000 J | 250000 J |
MANOVRA MANUALE | Chiave di sblocco | Chiave di sblocco |
FREQUENZA DI UTILIZZO | 3000 Op/gg | 3000 Op/gg |
TIPO FINECORSA | Sensore magnetico REED | Sensore magnetico REED |
TRATTAMENTO STELO | Cataforesi e verniciatura RAL7015 | Acciaio INOX AISI 316L |
TIPO FINECORSA | Da -40°C a +60°C | Da -40°C a +60°C |
GRADO DI PROTEZIONE | IP67 | IP67 |
CARATTERISTICHE TECNICHE
- Alimentazione 230 V AC per il sistema oleodinamico
- Diametro dello stelo: 273 mm
- Altezza dello stelo: 800 mm
- Tempo di salita/abbassamento: circa 6,5 secondi per la versione 800 mm
- Resistenza agli urti: 20.000 J (impatto) e resistenza allo sfondamento: 250.000 J
- Frequenza d’uso fino a 3.000 operazioni al giorno, condizioni ambientali da ‑40 °C a +60 °C e grado di protezione IP67
BENEFICI
Il BFT PILLAR B 275/800.6C si distingue per l’elevata affidabilità, la resistenza agli impatti, la visibilità ottimizzata e la versatilità operativa, garantendo massima sicurezza, prestazioni costanti anche in condizioni estreme e ridotti costi di manutenzione, rendendolo la soluzione ideale per la protezione efficace di aree sensibili e ad alto traffico:
- Riduzione dei costi di manutenzione: il sistema oleodinamico e la pompa idraulica posizionata sotto la flangia permettono interventi più semplici e rapidi, il che si traduce in meno stop‑servizio e minori costi operativi nel tempo
- Affidabilità in condizioni estreme: progettato per operare in un ampio intervallo di temperature (da ‑40 °C a +60 °C) e con grado di protezione elevato (IP67), garantisce performance stabili anche in ambienti critici o condizioni climatiche severe
- Guidabilità e visibilità migliorate: il cappello a LED integrato e la fascia adesiva omologata assicurano che lo stelo del dissuasore sia chiaramente visibile anche di notte o in condizioni di scarsa luce, contribuendo sia alla sicurezza che all’estetica del sito
- Versatilità operativa per diversi scenari: le versioni “L” o “SD” permettono di scegliere il comportamento in caso di blackout (rispettivamente abbassamento automatico o stelo che rimane alzato), offrendo flessibilità in base alle esigenze di sicurezza o accessibilità della struttura
VARIANTI DISPONIBILI
- PILLAR B 275 / 600 6C L RAL 7015 | 2600877 | P970092 00001
- PILLAR B 275 / 600 6C L INOX | 2601340 | P970092 00302
- PILLAR B 275 / 600 6C L SD RAL 7015 | 2601339 | P970092 00003
- PILLAR B 275 / 600 6C L SD INOX | 2601341 | P970092 00304
Ulteriori informazioni
Codice EAN | giotto-bt-b-ultra-36-bft |
---|